公司新闻

排污泵电器控制箱接线图说明

        排污泵控制箱通常都是采用液位控制的原理,液位排污泵控制柜通常都是采用高性能的浮球开关与控制柜配套使用就能达到高液位时启动排污泵低液位时停止排污泵的功能。
一、排污泵控制箱原理如下:
1、控制排污泵出口末端液位的排污泵控制箱原理
        给水工作状态就是需要控制排污泵出口末端的集水池的水量,我们就把它称为给水工作状态的液位控制,在排污泵控制箱接线当中只需要把浮球开关常闭接点的两根引线分别接在Y1和Y2位置上即可,这种接法就是当排污泵出水段水池水满后,浮球就能漂浮到白球的位置,这时常闭接点就会自动断开,排污泵就即可停止工作,当液位位下降至起泵的位置浮球开关的常闭接点接通之后,排污泵就开始工作。排污泵控制箱示意图可以查看图1左图,以上就是控制排污泵出口末端液位的排污泵控制箱原理。            
2、控制排污泵水池液位的排污泵控制箱原理
        把浮球常开接点的两根信号线接入排污泵控制箱的Y1和Y2端子,当液位达到预先设置的满水位置,浮球就随水一起自然上升,当升到起泵的位置时(如图1右图黑球所示),这时常开接点就会接通,排污泵就会开始运行,液位也就会根据潜水排污泵流量的大小逐渐下降,当下降到预先固定好的停泵水位线时(如图1右图白球所示),这时浮球常开接点就会断开,排污泵也就停止了运行这就是控制排污泵水池液位的排污泵控制箱原理。
排污泵控制箱原理图
图1    排污泵控制箱原理图
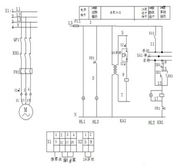
二、排污泵控制箱接线图及排污泵控制箱线路图
1控1排污泵控制箱接线图及1控1排污泵控制箱线路图
图2    1控1排污泵控制箱接线图及1控1排污泵控制箱线路图
1用1备排污泵控制箱接线图及1控1排污泵控制箱线路图
图3    1用1备排污泵控制箱接线图及1控1排污泵控制箱线路图

Copyright © 2010-2020 广一泵业集团有限公司版权所有