公司新闻

 水泵售后维修人的心声

水泵售后维修人的心声

维修行业属于技术服务,工程师首先需要有过硬的维修技术才可以解决问题。而其中最关键的是工程师获取过硬的技术来自很多年的学习投入,需要在实践中不断总结经验而提升,从这个过程而言,工程师...
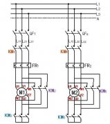
 浅析广一热水循环泵的电气控制线路图

浅析广一热水循环泵的电气控制线路图

热水循环泵一般安装在热水系统的管道上,两台泵一台工作,一台备用。受安在回水管上的同一个电接点温度计ST控制,或受楼宇自动化(BAS)系统、计算机数字式直接控制(DDC)空调自控系统控制。...
 浅析大功率生活水泵的电气控制

浅析大功率生活水泵的电气控制

当生活水泵电动机容量较大时通常采用星三角形降压启动,鼠笼式异步电动机的降压启动方式有自耦变压器降压启动、星三角形降压启动等多种降压方式。广一水泵下面以星三角形降压启动为例说明。...
 广一浅析压力自动控制水泵的电路

广一浅析压力自动控制水泵的电路

广一水泵以下采用电接点压力表构成的备用泵不自动投入的线路。1号为工作泵,2号为备用泵。SAl至“Z”位,SA2至“S”位,合总闸↑→HLGN1↑、HLGN2↑。...
 排气阀常见故障及措施

排气阀常见故障及措施

水经过水泵的时候会有空蚀,空化等现象的出现,且水的压力状态变化后,原来溶解于水中的空气会解析出来,形成气隔,影响输水管截面积,从而影响输水效率。...
 循环水泵选型对冷却塔有何影响

循环水泵选型对冷却塔有何影响

冷却塔的冷却效果我们用制冷量来描述,冷却塔的制冷量与循环水泵无关,这是两个互不相干的量。但在实际生活中,我们往往遇到二者相互干扰的实际问题,广一水泵厂本文以实际例子出发,重点描述循...

Copyright © 2010-2020 广一泵业集团有限公司版权所有